U.S. Plastics Industry Powers $1.1 Trillion in Economic Output
A new report from the American Chemistry Council (ACC) underscores the plastics industry’s outsized role in the U.S. economy, highlighting both its direct manufacturing...
New Class of Materials That Passively Harvest Water from Air
A serendipitous observation in a Chemical Engineering lab at Penn Engineering has led to a surprising discovery: a new class of nanostructured materials that...
Bioinspired artificial muscles
Bioinspired artificial muscles enable robotic limbs to push, lift and kick
Northwestern University engineers have developed a soft artificial muscle, paving the way for untethered...
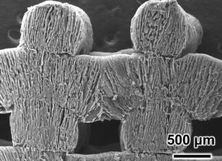
Leaf-inspired design makes bioplastics degradable and stronger
Adding cellulose makes bioplastics biodegradable and stronger
Society has long struggled with petroleum-derived plastic pollution, and awareness of microplastics’ detrimental effects on food and water...
New Extrusion Machine Changes ShAPE
The ShAPE system is more configurable—and pivots vertically.
For nearly a decade, the Department of Energy’s (DOE’s) Pacific Northwest National Laboratory (PNNL) has advanced its...
3D printing biodegradable polymers into functional electronics
SUTD researchers demonstrate a new 3D printing method that produces electrically conductive structures from sustainable materials, enabling potential applications in sensors, electronics, and wearables.
From...
Texas tests its first plastic road
UTA-led project tackles plastic pollution crisis while building tougher, longer-lasting roads
If you’re driving through Rockwall, you’d never guess the road beneath your tires is...
3D-printed magnetoelastic smart pen may help diagnose Parkinson’s
UCLA device uses AI to analyze electrical signals from handwriting to detect early signs
Every year, tens of thousands of people with signs of Parkinson’s...
Bioplastics for Life Beyond Earth
Researchers demonstrate algae growth under Mars-like pressures
If humans are ever going to live beyond Earth, they’ll need to construct habitats. But transporting enough industrial...
Spongy material and the sun’s power remove salt from seawater
Most of Earth’s water is in the oceans and too salty to drink. Desalination plants can make seawater drinkable, but they require large amounts...























