Tag: Composite Materials
Researchers capture strange behavior of laser-excited gold
The research could lead to a better understanding of how metals behave under extreme conditions, which will aid in developing more resilient materials.
New research...
Quantum phenomena as classical or quantum computing transistors
NEW CLASS OF 2D MATERIAL DISPLAYS STABLE CHARGE DENSITY WAVE AT ROOM TEMPERATURE
These exotic quantum phenomena could be helpful as classical or quantum computing...
NonOilen Biodegradable 3d Filament
Fillamentum, a Czech manufacturer of filaments for the 3D printing industry, is showcasing its new NonOilen filament at Expo 2020 in Dubai.
Developed in collaboration...
Plastics Could Help Build a Sustainable Future – Here’s How
The disposal of plastics is a global problem. They are nearly indestructible in natural conditions but are discarded worldwide on a large scale. The...
Carbon nanostructure stronger than diamonds
Novel plate-cell architecture reaches theoretical limit of performance
Researchers at the University of California, Irvine and other institutions have architecturally designed plate-nanolattices – nanometer-sized carbon...
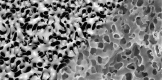
Microstructures Self-Assemble into New Materials
A new process developed at Caltech makes it possible for the first time to manufacture large quantities of materials whose structure is designed at...
Lasers could take 3-D printing to next level
Cars that go more than 1,000 miles on a single fill-up and smartphones that can run for days without recharging are among the possibilities...
Integrated flexible magnetic sensors and organic circuits
Human skin is a fascinating multifunctional organ with unique properties originating from its flexible and compliant nature. It allows for interfacing with external physical...
Building A Stronger Body Armor
Texas A&M researchers have found that adding silicon to a material used to make body armor can make it more resilient to firearms.
According to...
Switching identities: Revolutionary insulator-like material also conducts electricity
University of Wisconsin–Madison researchers have made a material that can transition from an electricity-transmitting metal to a nonconducting insulating material without changing its atomic...




















